IL DF-274-5 2 Dog Allevatore a tenuta stagna è un raccordo premium marine ingegnerizzato da HEE (Changshu Haichuan Engineering & Equipment Co., Ltd.), un produttore leader con sede in Cina specializzato in attrezzature marine e offshore. Progettato per affrontare la necessità critica di resistenza all'acqua affidabile in ambienti marini aspri, questo portello funge da barriera protettiva per aperture del ponte, prevenzione dell'ingresso di acqua, accumulo di polvere e corrosione che potrebbe danneggiare i componenti interni di vasi, piattaforme offshore o infrastrutture a porte.
| Stato di disponibilità: | |
|---|---|
| Quantità: | |
DF-274-5
DF-274-5 2 Dog Allevatore a tenuta stagna
A differenza delle soluzioni di tratteggio generico, il DF-274-5 integra una solida costruzione con un design incentrato sull'utente, rendendolo adatto per applicazioni sia commerciali che industriali. Supportato dai decenni di competenza manifatturiera di HEE, il portello aderisce agli standard di qualità internazionale e subisce rigorosi test di prestazioni per garantire coerenza. La sua struttura rialzata migliora la compatibilità con le superfici del ponte irregolare, mentre il meccanismo di blocco a doppio cane semplifica il funzionamento, anche in scenari ad alto stress. Per i clienti globali, HEE offre una consegna just-in-time e personalizzazione su misura, consolidando ulteriormente il DF-274-5 2 Dog ha aumentato il portello a tenuta stagna come scelta migliore per ingegneri marini e project manager.
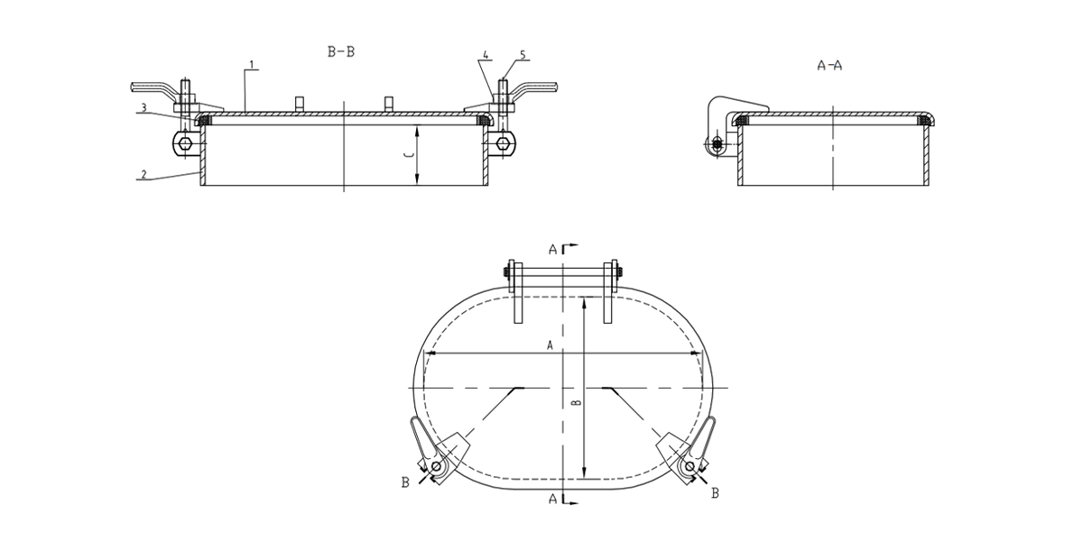
La precisione nelle dimensioni è fondamentale per l'integrazione del ponte senza soluzione di continuità e il DF-274-5 è progettato per soddisfare gli standard esigenti. La tabella seguente delinea i suoi parametri fisici principali:
Modello n. | A (lunghezza) | B (larghezza) | C (altezza) | Wt. (Peso) |
DF-274-5 | 23 ' | 15 ' | 5 ' | 90 libbre |
Ogni componente del DF-274-5 2 Dog è stato selezionato per la durata e la resistenza all'usura marina. La tabella seguente descrive in dettaglio le specifiche del materiale, mentre il test delle prestazioni convalida le sue affermazioni a tenuta stagna:
Nome e specifiche | Quantità | Materiale |
Copertura (Top Hatch) | 1 | STEEL |
Coaming (telaio del ponte) | 1 | STEEL |
Guarnizione di tenuta | 1 | Neoprene |
Manico per cani (bloccaggio) | 2 | GHISA |
Tumble Bolt (dispositivo di fissaggio) | 2 | BRONZO |
Per garantire prestazioni a tenuta stagna senza compromessi, il DF-274-5 subisce test obbligatori di perdite a una pressione di 0,04 MPA , oltre a superare i parametri di riferimento del settore per la resistenza all'acqua nei raccordi del ponte marino. Questo test simula forti piogge, spruzzi d'onda e condizioni ad alta umidità, garantendo alcuna penetrazione dell'acqua quando il portello è adeguatamente fissato.
Il cane principale di DF-274-5 2 ha sollevato il vantaggio principale del portello a tenuta stagna risiede nella sua eccezionale capacità di tenuta. La guarnizione in neoprene - una gomma sintetica rinomata per la flessibilità e la resistenza chimica - forma una guarnizione stretta tra il coperchio in acciaio e il coaming. A differenza delle guarnizioni rigide, il neoprene si adatta alle vibrazioni del ponte minori o all'espansione termica, eliminando i lacune che causano perdite. Il doppio cane in ghisa gestisce il lavoro in tandem con bulloni in bronzo per distribuire uniformemente la pressione attraverso la guarnizione, garantendo una tenuta costante anche dopo un uso ripetuto. Questo design rende il portello ideale per le aree esposte ad acqua salata, forti piogge o alta umidità.
Gli ambienti marini richiedono materiali che resistono all'acqua salata, all'ossidazione e all'impatto, e il DF-274-5 offre su questo fronte. Il coperchio e il coaming in acciaio forniscono rigidità strutturale per gestire carichi pesanti (ad es. Traffico pedonale, posizionamento delle attrezzature) senza piegatura o cracking. I bulloni che cadono in bronzo resistono alla ruggine e alla corrosione galvanica, un problema comune con gli elementi di fissaggio in acciaio nell'acqua salata. Nel frattempo, le maniglie dei cani in ghisa offrono una resistenza all'usura superiore, garantendo un funzionamento regolare per anni senza deformazione. Per i clienti in ambienti estremi (ad esempio, piattaforme petrolifere offshore), HEE offre finiture zincate a caldo opzionale o costruzione in acciaio inossidabile per migliorare ulteriormente la resistenza alla corrosione.
Il DF-274-5 è progettato per facilità d'uso, anche in spazi ristretti o scenari di emergenza. Le maniglie dei due cani dispongono di una presa non slip, consentendo agli operatori di bloccare/sbloccare rapidamente il portello, non richiesti strumenti specializzati. A differenza dei portelli a più bulloni che richiedono un serraggio sequenziale, il meccanismo a doppio cane riduce il tempo di funzionamento del 50%, un beneficio critico durante le riparazioni urgenti o il carico del carico. Inoltre, la semplice struttura dei componenti del portello riduce al minimo la manutenzione: la guarnizione in neoprene è facile da sostituire e le parti di acciaio/bronzo richiedono solo una pulizia occasionale per mantenere le prestazioni.
HEE riconosce che ogni progetto marino ha requisiti unici, quindi il DF-274-5 2 Dog ha sollevato il portello a tenuta stagna offre soluzioni su misura. Oltre alla costruzione di acciaio standard, i clienti possono optare per l'acciaio inossidabile (316L) per la resistenza alla corrosione estrema (ad es. Ambienti marini tropicali) o la galvanizzazione a caldo per protezione da ruggine economica. È inoltre disponibile la personalizzazione dell'altezza: il coaming da 5 'standard può essere regolato per adattarsi alle aperture del ponte di profondità variabili, garantendo l'integrazione senza soluzione di continuità con l'infrastruttura esistente.
Il DF-274-5 è un punto fermo per navi da carico, traghetti e navi da pesca. È in genere installato sul ponte che conduce a prese di carico, sale motori o quarti dell'equipaggio, per la protezione di apparecchiature sensibili (ad es. Sistemi elettrici, serbatoi di carburante) da danni da acqua durante il mare accidentato. Il suo peso di 90 libbre bilancia la durata e la portabilità, rendendolo adatto a vasi di medie dimensioni in cui si applicano le restrizioni di peso.
Le piattaforme offshore funzionano in alcuni degli ambienti più difficili, quindi il portello a tenuta stagna DF-274-5 2 cani viene progettato per resistere a spruzzo salino, venti forti e fluttuazioni della temperatura. Viene utilizzato per sigillare le aperture agli alberi di manutenzione, ai compartimenti di stoccaggio e alle sale di controllo, sostenendo la corrosione dell'infrastruttura critica (ad es. Pipeline, valvole). La costruzione opzionale in acciaio inossidabile è altamente raccomandata per queste applicazioni, in quanto estende la durata della vita del portello di 3-5 anni rispetto all'acciaio standard.
Porte e dock richiedono portenete in grado di gestire il traffico pedonale, il movimento delle attrezzature e l'esposizione all'acqua di marea. Il coperchio in acciaio del DF-274-5 supporta carichi fino a 500 libbre, rendendolo ideale per l'installazione su mazzi dock, baie di caricamento del magazzino o tunnel di manutenzione. Il suo design a tenuta stagna protegge anche i servizi sotterranei (ad es. Cavi elettrici, tubi dell'acqua) da inondazioni durante alte maree o forti piogge.
I container intermodali (ad es. Container, unità di carico ferroviario) spesso richiedono portelli per l'accesso allo stoccaggio interno. La struttura rialzata del DF-274-5 impedisce all'acqua di raggruppare sul coperchio, un problema comune con portelli a filo che porta a perdite. Viene utilizzato per sigillare le aperture su contenitori refrigerati (barili) o contenitori per materiali pericolosi, garantendo che merci (ad es. Alimenti, sostanze chimiche) rimane protette dall'umidità e dalla contaminazione durante il transito.
HEE (Changshu Haichuan Engineering & Equipment Co., Ltd.) fornisce supporto end-to-end per il DF-274-5 2 Dog Raised Water Tight . I clienti beneficiano di:
· Consultazione pre-vendita: gli ingegneri dell'HEE aiutano le raccomandazioni di verifica e personalizzazione della dimensione per garantire che il portello si adatti alle esigenze specifiche del progetto.
· Consegna globale: spedizione just-in-time in oltre 50 paesi, con opzioni accelerate per progetti urgenti.
· Servizio post-vendita: parti di sostituzione (ad es. Guarnizioni in neoprene, bulloni di bronzo) sono disponibili per la consegna rapida, minimizzando i tempi di inattività.
DF-274-5 2 Dog Allevatore a tenuta stagna
A differenza delle soluzioni di tratteggio generico, il DF-274-5 integra una solida costruzione con un design incentrato sull'utente, rendendolo adatto per applicazioni sia commerciali che industriali. Supportato dai decenni di competenza manifatturiera di HEE, il portello aderisce agli standard di qualità internazionale e subisce rigorosi test di prestazioni per garantire coerenza. La sua struttura rialzata migliora la compatibilità con le superfici del ponte irregolare, mentre il meccanismo di blocco a doppio cane semplifica il funzionamento, anche in scenari ad alto stress. Per i clienti globali, HEE offre una consegna just-in-time e personalizzazione su misura, consolidando ulteriormente il DF-274-5 2 Dog ha aumentato il portello a tenuta stagna come scelta migliore per ingegneri marini e project manager.
La precisione nelle dimensioni è fondamentale per l'integrazione del ponte senza soluzione di continuità e il DF-274-5 è progettato per soddisfare gli standard esigenti. La tabella seguente delinea i suoi parametri fisici principali:
Modello n. | A (lunghezza) | B (larghezza) | C (altezza) | Wt. (Peso) |
DF-274-5 | 23 ' | 15 ' | 5 ' | 90 libbre |
Ogni componente del DF-274-5 2 Dog è stato selezionato per la durata e la resistenza all'usura marina. La tabella seguente descrive in dettaglio le specifiche del materiale, mentre il test delle prestazioni convalida le sue affermazioni a tenuta stagna:
Nome e specifiche | Quantità | Materiale |
Copertura (Top Hatch) | 1 | STEEL |
Coaming (telaio del ponte) | 1 | STEEL |
Guarnizione di tenuta | 1 | Neoprene |
Manico per cani (bloccaggio) | 2 | GHISA |
Tumble Bolt (dispositivo di fissaggio) | 2 | BRONZO |
Per garantire prestazioni a tenuta stagna senza compromessi, il DF-274-5 subisce test obbligatori di perdite a una pressione di 0,04 MPA , oltre a superare i parametri di riferimento del settore per la resistenza all'acqua nei raccordi del ponte marino. Questo test simula forti piogge, spruzzi d'onda e condizioni ad alta umidità, garantendo alcuna penetrazione dell'acqua quando il portello è adeguatamente fissato.
Il cane principale di DF-274-5 2 ha sollevato il vantaggio principale del portello a tenuta stagna risiede nella sua eccezionale capacità di tenuta. La guarnizione in neoprene - una gomma sintetica rinomata per la flessibilità e la resistenza chimica - forma una guarnizione stretta tra il coperchio in acciaio e il coaming. A differenza delle guarnizioni rigide, il neoprene si adatta alle vibrazioni del ponte minori o all'espansione termica, eliminando i lacune che causano perdite. Il doppio cane in ghisa gestisce il lavoro in tandem con bulloni in bronzo per distribuire uniformemente la pressione attraverso la guarnizione, garantendo una tenuta costante anche dopo un uso ripetuto. Questo design rende il portello ideale per le aree esposte ad acqua salata, forti piogge o alta umidità.
Gli ambienti marini richiedono materiali che resistono all'acqua salata, all'ossidazione e all'impatto, e il DF-274-5 offre su questo fronte. Il coperchio e il coaming in acciaio forniscono rigidità strutturale per gestire carichi pesanti (ad es. Traffico pedonale, posizionamento delle attrezzature) senza piegatura o cracking. I bulloni che cadono in bronzo resistono alla ruggine e alla corrosione galvanica, un problema comune con gli elementi di fissaggio in acciaio nell'acqua salata. Nel frattempo, le maniglie dei cani in ghisa offrono una resistenza all'usura superiore, garantendo un funzionamento regolare per anni senza deformazione. Per i clienti in ambienti estremi (ad esempio, piattaforme petrolifere offshore), HEE offre finiture zincate a caldo opzionale o costruzione in acciaio inossidabile per migliorare ulteriormente la resistenza alla corrosione.
Il DF-274-5 è progettato per facilità d'uso, anche in spazi ristretti o scenari di emergenza. Le maniglie dei due cani dispongono di una presa non slip, consentendo agli operatori di bloccare/sbloccare rapidamente il portello, non richiesti strumenti specializzati. A differenza dei portelli a più bulloni che richiedono un serraggio sequenziale, il meccanismo a doppio cane riduce il tempo di funzionamento del 50%, un beneficio critico durante le riparazioni urgenti o il carico del carico. Inoltre, la semplice struttura dei componenti del portello riduce al minimo la manutenzione: la guarnizione in neoprene è facile da sostituire e le parti di acciaio/bronzo richiedono solo una pulizia occasionale per mantenere le prestazioni.
HEE riconosce che ogni progetto marino ha requisiti unici, quindi il DF-274-5 2 Dog ha sollevato il portello a tenuta stagna offre soluzioni su misura. Oltre alla costruzione di acciaio standard, i clienti possono optare per l'acciaio inossidabile (316L) per la resistenza alla corrosione estrema (ad es. Ambienti marini tropicali) o la galvanizzazione a caldo per protezione da ruggine economica. È inoltre disponibile la personalizzazione dell'altezza: il coaming da 5 'standard può essere regolato per adattarsi alle aperture del ponte di profondità variabili, garantendo l'integrazione senza soluzione di continuità con l'infrastruttura esistente.
Il DF-274-5 è un punto fermo per navi da carico, traghetti e navi da pesca. È in genere installato sul ponte che conduce a prese di carico, sale motori o quarti dell'equipaggio, per la protezione di apparecchiature sensibili (ad es. Sistemi elettrici, serbatoi di carburante) da danni da acqua durante il mare accidentato. Il suo peso di 90 libbre bilancia la durata e la portabilità, rendendolo adatto a vasi di medie dimensioni in cui si applicano le restrizioni di peso.
Le piattaforme offshore funzionano in alcuni degli ambienti più difficili, quindi il portello a tenuta stagna DF-274-5 2 cani viene progettato per resistere a spruzzo salino, venti forti e fluttuazioni della temperatura. Viene utilizzato per sigillare le aperture agli alberi di manutenzione, ai compartimenti di stoccaggio e alle sale di controllo, sostenendo la corrosione dell'infrastruttura critica (ad es. Pipeline, valvole). La costruzione opzionale in acciaio inossidabile è altamente raccomandata per queste applicazioni, in quanto estende la durata della vita del portello di 3-5 anni rispetto all'acciaio standard.
Porte e dock richiedono portenete in grado di gestire il traffico pedonale, il movimento delle attrezzature e l'esposizione all'acqua di marea. Il coperchio in acciaio del DF-274-5 supporta carichi fino a 500 libbre, rendendolo ideale per l'installazione su mazzi dock, baie di caricamento del magazzino o tunnel di manutenzione. Il suo design a tenuta stagna protegge anche i servizi sotterranei (ad es. Cavi elettrici, tubi dell'acqua) da inondazioni durante alte maree o forti piogge.
I container intermodali (ad es. Container, unità di carico ferroviario) spesso richiedono portelli per l'accesso allo stoccaggio interno. La struttura rialzata del DF-274-5 impedisce all'acqua di raggruppare sul coperchio, un problema comune con portelli a filo che porta a perdite. Viene utilizzato per sigillare le aperture su contenitori refrigerati (barili) o contenitori per materiali pericolosi, garantendo che merci (ad es. Alimenti, sostanze chimiche) rimane protette dall'umidità e dalla contaminazione durante il transito.
HEE (Changshu Haichuan Engineering & Equipment Co., Ltd.) fornisce supporto end-to-end per il DF-274-5 2 Dog Raised Water Tight . I clienti beneficiano di:
· Consultazione pre-vendita: gli ingegneri dell'HEE aiutano le raccomandazioni di verifica e personalizzazione della dimensione per garantire che il portello si adatti alle esigenze specifiche del progetto.
· Consegna globale: spedizione just-in-time in oltre 50 paesi, con opzioni accelerate per progetti urgenti.
· Servizio post-vendita: parti di sostituzione (ad es. Guarnizioni in neoprene, bulloni di bronzo) sono disponibili per la consegna rapida, minimizzando i tempi di inattività.
IL DF-274-5 2 Dog Allevatore a tenuta stagna è un raccordo premium marine ingegnerizzato da HEE (Changshu Haichuan Engineering & Equipment Co., Ltd.), un produttore leader con sede in Cina specializzato in attrezzature marine e offshore. Progettato per affrontare la necessità critica di resistenza all'acqua affidabile in ambienti marini aspri, questo portello funge da barriera protettiva per aperture del ponte, prevenzione dell'ingresso di acqua, accumulo di polvere e corrosione che potrebbe danneggiare i componenti interni di vasi, piattaforme offshore o infrastrutture a porte.