Nell'industria marittima in corso l'inseguimento dell'efficienza operativa e della sicurezza, il DF-615 PATTO ATTUATO A GUIDA ALL'ACTRUAMENTO QUAST Emerge come innovazione critica per l'accesso di emergenza e le operazioni di routine.
| Stato di disponibilità: | |
|---|---|
| Quantità: | |
DF-615-2424
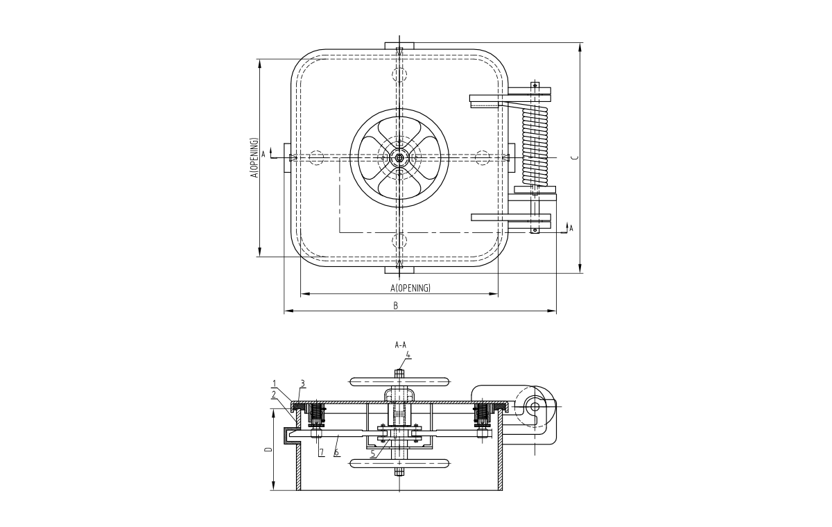
DF-615 Pontino ad azione rapida a tenuta
Modello n. | A | B | C | D | Wt. (LBS) |
| DF-615-24 × 24 | 24 ' | 33 1/16 ' | 28 ' | 24 ' | 500 |
| DF-615-30 × 30 | 30 ' | 39 1/16 ' | 34 ' | 24 ' | 700 |
| DF-615-36 × 36 | 36 ' | 45 1/16 ' | 40 ' | 24 ' | 900 |
| NO. | Nome e specifiche | Qty | Materiale |
| 1 | Gruppo di copertura del portello | 1 | STEEL |
| 2 | Assemblea di coaming | 1 | STEEL |
| 3 | Guarnizione del portello | 1 | Neoprene |
| 4 | Albero centrale | 1 | Inossidabile |
| 5 | Gruppo a blocchi rotanti | 1 | Inossidabile |
| 6 | Braccio di cane | 4 | Inossidabile |
| 7 | Guida girevole | 4 | OTTONE |
Test di perdita: pressione 0,04 MPA
Altri extra opzionali includono: zincato a caldo zincato, costruzione in acciaio inossidabile e altezze personalizzate
Man mano che gli operatori delle navi affrontano una pressione crescente per soddisfare rigorose norme di sicurezza ottimizzando i tempi di risposta, questo portello combina capacità di distribuzione rapide con prestazioni a tenuta stagna senza compromessi. Progettato con un profilo rialzato che migliora la pressione di tenuta, il DF-615 misura 24 × 18 pollici di dimensioni di apertura e pesa 145 libbre, rendendolo adatto per punti di accesso medio-grande che richiedono un funzionamento frequente. Il suo meccanismo ad azione rapida affronta la necessità del settore per attrezzature che possono essere gestite in modo efficiente anche in situazioni di emergenza ad alta stress.
La caratteristica di definizione del DF-615 è il suo sistema a rilascio rapido assistito da primavera che consente l'apertura completa in meno di 3 secondi, un vantaggio critico durante gli scenari di emergenza. La maniglia ergonomica con impugnatura strutturata consente il funzionamento con mani guantate, mentre il blocco di sicurezza integrato impedisce l'attivazione accidentale. Questo meccanismo riduce lo sforzo fisico richiesto rispetto ai tradizionali portelli bullonati, riducendo al minimo l'affaticamento dell'operatore durante l'uso ripetuto.
Caratterizzato da una a doppia compressione guarnizione in gomma EPDM che mantiene l'integrità della tenuta attraverso un intervallo di temperatura compreso tra -40 ° C e 80 ° C, il portello supera gli standard del settore per la resistenza all'acqua. La cornice rialzata crea una barriera meccanica contro l'ingresso di acqua, mentre la superficie di tenuta con accumulazione di precisione garantisce una compressione uniforme quando chiusa. Il test conferma che il portello mantiene prestazioni a tenuta stagna sotto pressione idrostatica fino a 6 psi , superando i requisiti marini standard.
Costruito in acciaio al carbonio zincato a caldo con un rivestimento di livello marino, il DF-615 resiste a 1.000 ore di test di spruzzatura salina senza una significativa corrosione. Tutti i componenti in movimento utilizzano perni e boccole in acciaio inossidabile per prevenire il caregio, anche dopo un'esposizione prolungata a ambienti marini aspri. L'assemblaggio della cerniera è rafforzato per supportare l'apertura completa senza calci, anche dopo oltre 10.000 cicli di funzionamento.
Il DF-615 utilizza un sistema a camme caricato a molla che converte il movimento della maniglia rotazionale in compressione lineare, eliminando la necessità di serrare singolarmente più bulloni. Questo design riduce i tempi di apertura dai minuti a secondi mantenendo la pressione di tenuta equivalente, critica per gli scenari di accesso alle emergenze.
Il DF-615 soddisfa i requisiti della risoluzione IMO A.754 (18) per le chiusure a tenuta stagna ed è certificato da principali società di classificazione tra cui DNV, ABS e Lloyd's Register. La sua rapida capacità di funzionamento supporta i requisiti di SOLAS per l'uscita di emergenza e l'accesso alle attrezzature.
I componenti in movimento dovrebbero essere lubrificati mensilmente con grasso marino e la guarnizione ispezionata trimestralmente per segni di usura. Si consiglia un test operativo completo ogni sei mesi per garantire che la funzione a rilascio rapido funzioni all'interno delle specifiche di 3 secondi.
Sì, il DF-615 presenta un funzionamento bidirezionale con manici su entrambi i lati del portello, consentendo l'accesso dal mazzo o dal lato del compartimento. Questa funzione migliora la sicurezza fornendo percorsi di accesso alternativi durante le emergenze.
Il DF-615 è ideale per le navi di rifornimento offshore di , salvataggio e mestieri navali in cui un rapido accesso può influire sul successo della missione o sui risultati della sicurezza. La sua costruzione robusta lo rende anche adatto per le navi commerciali che richiedono un frequente accesso ai compartimenti sotto i ponti.
DF-615 Pontino ad azione rapida a tenuta
Modello n. | A | B | C | D | Wt. (LBS) |
| DF-615-24 × 24 | 24 ' | 33 1/16 ' | 28 ' | 24 ' | 500 |
| DF-615-30 × 30 | 30 ' | 39 1/16 ' | 34 ' | 24 ' | 700 |
| DF-615-36 × 36 | 36 ' | 45 1/16 ' | 40 ' | 24 ' | 900 |
| NO. | Nome e specifiche | Qty | Materiale |
| 1 | Gruppo di copertura del portello | 1 | STEEL |
| 2 | Assemblea di coaming | 1 | STEEL |
| 3 | Guarnizione del portello | 1 | Neoprene |
| 4 | Albero centrale | 1 | Inossidabile |
| 5 | Gruppo a blocchi rotanti | 1 | Inossidabile |
| 6 | Braccio di cane | 4 | Inossidabile |
| 7 | Guida girevole | 4 | OTTONE |
Test di perdita: pressione 0,04 MPA
Altri extra opzionali includono: zincato a caldo zincato, costruzione in acciaio inossidabile e altezze personalizzate
Man mano che gli operatori delle navi affrontano una pressione crescente per soddisfare rigorose norme di sicurezza ottimizzando i tempi di risposta, questo portello combina capacità di distribuzione rapide con prestazioni a tenuta stagna senza compromessi. Progettato con un profilo rialzato che migliora la pressione di tenuta, il DF-615 misura 24 × 18 pollici di dimensioni di apertura e pesa 145 libbre, rendendolo adatto per punti di accesso medio-grande che richiedono un funzionamento frequente. Il suo meccanismo ad azione rapida affronta la necessità del settore per attrezzature che possono essere gestite in modo efficiente anche in situazioni di emergenza ad alta stress.
La caratteristica di definizione del DF-615 è il suo sistema a rilascio rapido assistito da primavera che consente l'apertura completa in meno di 3 secondi, un vantaggio critico durante gli scenari di emergenza. La maniglia ergonomica con impugnatura strutturata consente il funzionamento con mani guantate, mentre il blocco di sicurezza integrato impedisce l'attivazione accidentale. Questo meccanismo riduce lo sforzo fisico richiesto rispetto ai tradizionali portelli bullonati, riducendo al minimo l'affaticamento dell'operatore durante l'uso ripetuto.
Caratterizzato da una a doppia compressione guarnizione in gomma EPDM che mantiene l'integrità della tenuta attraverso un intervallo di temperatura compreso tra -40 ° C e 80 ° C, il portello supera gli standard del settore per la resistenza all'acqua. La cornice rialzata crea una barriera meccanica contro l'ingresso di acqua, mentre la superficie di tenuta con accumulazione di precisione garantisce una compressione uniforme quando chiusa. Il test conferma che il portello mantiene prestazioni a tenuta stagna sotto pressione idrostatica fino a 6 psi , superando i requisiti marini standard.
Costruito in acciaio al carbonio zincato a caldo con un rivestimento di livello marino, il DF-615 resiste a 1.000 ore di test di spruzzatura salina senza una significativa corrosione. Tutti i componenti in movimento utilizzano perni e boccole in acciaio inossidabile per prevenire il caregio, anche dopo un'esposizione prolungata a ambienti marini aspri. L'assemblaggio della cerniera è rafforzato per supportare l'apertura completa senza calci, anche dopo oltre 10.000 cicli di funzionamento.
Il DF-615 utilizza un sistema a camme caricato a molla che converte il movimento della maniglia rotazionale in compressione lineare, eliminando la necessità di serrare singolarmente più bulloni. Questo design riduce i tempi di apertura dai minuti a secondi mantenendo la pressione di tenuta equivalente, critica per gli scenari di accesso alle emergenze.
Il DF-615 soddisfa i requisiti della risoluzione IMO A.754 (18) per le chiusure a tenuta stagna ed è certificato da principali società di classificazione tra cui DNV, ABS e Lloyd's Register. La sua rapida capacità di funzionamento supporta i requisiti di SOLAS per l'uscita di emergenza e l'accesso alle attrezzature.
I componenti in movimento dovrebbero essere lubrificati mensilmente con grasso marino e la guarnizione ispezionata trimestralmente per segni di usura. Si consiglia un test operativo completo ogni sei mesi per garantire che la funzione a rilascio rapido funzioni all'interno delle specifiche di 3 secondi.
Sì, il DF-615 presenta un funzionamento bidirezionale con manici su entrambi i lati del portello, consentendo l'accesso dal mazzo o dal lato del compartimento. Questa funzione migliora la sicurezza fornendo percorsi di accesso alternativi durante le emergenze.
Il DF-615 è ideale per le navi di rifornimento offshore di , salvataggio e mestieri navali in cui un rapido accesso può influire sul successo della missione o sui risultati della sicurezza. La sua costruzione robusta lo rende anche adatto per le navi commerciali che richiedono un frequente accesso ai compartimenti sotto i ponti.
IL DF-274-5 2 Dog Allevatore a tenuta stagna è un raccordo premium marine ingegnerizzato da HEE (Changshu Haichuan Engineering & Equipment Co., Ltd.), un produttore leader con sede in Cina specializzato in attrezzature marine e offshore. Progettato per affrontare la necessità critica di resistenza all'acqua affidabile in ambienti marini aspri, questo portello funge da barriera protettiva per aperture del ponte, prevenzione dell'ingresso di acqua, accumulo di polvere e corrosione che potrebbe danneggiare i componenti interni di vasi, piattaforme offshore o infrastrutture a porte.